Cryogenic Valve Model C5041-M11
.5" Vacuum Jacketed Valve, Manual Operation
Cryocomp’s C5000 liquid nitrogen valve is available in 1/4″ to 1/2″ tube-size weld ends in globe or right angle body configuration. Applications for the C5000 Series include vacuum-jacketed piping, cold boxes, and cryogenic piping systems.
C5000 valves are also used as liquid hydrogen valves, liquid argon valves, or liquid oxygen valves.
.5" Vacuum Jacketed Valve, Manual Operation
.5" Vacuum Jacketed Globe Valve, Pneumatic Actuated Operation
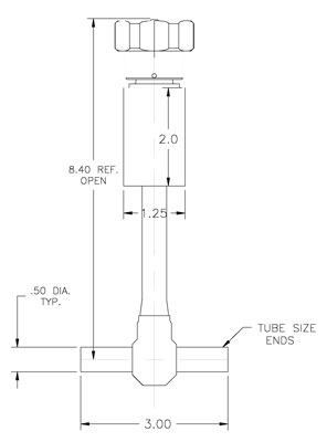
.5" Vacuum Jacketed Right Angle Valve, Manual Operation
.5" Vacuum Jacketed Right Angle Valve, Pneumatic Actuated Operation
.5" Vacuum Jacketed Globe Valve, Manual Operation
.5" Cold Box Cuff Right Angle Valve, Manual Operation
.5" Cold Box Cuff Right Angle Valve, Pneumatic Actuated Operation
Actuator Adapter Kit for Cryocomp C5000 Series Valves and Cryolab® CV9 Series Valves